Ningbo Richge Technology Co., Ltd.
Ningbo Richge Technology Co., Ltd.
Produktuak
VBI-24 motako isolamendu-zilindroaren zilindroko zirkuitua
  • VBI-24 motako isolamendu-zilindroaren zilindroko zirkuituaVBI-24 motako isolamendu-zilindroaren zilindroko zirkuitua
  • VBI-24 motako isolamendu-zilindroaren zilindroko zirkuituaVBI-24 motako isolamendu-zilindroaren zilindroko zirkuitua

VBI-24 motako isolamendu-zilindroaren zilindroko zirkuitua

Model:VBI-24
VBI serieko barruko hutsezko zirkuitua apurtzailea hutsezko zirkuitu adimendunen belaunaldi berria da. Bere zuzeneko osagaiak, errendimendu handiko hutsezko etengailua eta goiko eta beheko irteerako terminalak barne, epoxi erretxina-terminaletan enkapsulatuta daude. Diseinu honek kutsadura hutsean dagoen gainazalean kutsatzen du, isolamendu-propietateak, egonkortasun mekanikoa hobetuz eta bere bizitza operatiboa luzatuz. VBI-24 alboetako muntatutako motako hutsean egindako funtzionamendu-mekanismoa udaberrian erabiltzen da biltegiratzeko energia, bi modu, eskuliburua edo elektrikoa. Ezaugarriak GB1984-89, JB3855-96-rekin bat etorriz.<10kv Indoor High Voltage Vacuum Circuit Breaker General Technical Specifications>, IEC56 arauaren xedapen garrantzitsuak. VBI-24 Tentsio handiko tentsioko zirkuitua AC 50Hz hiru fasea da, 24kv barruko gailuaren tentsioa, industria eta meatze enpresentzako, zentraletarako eta azpiestazioetarako ekipo elektrikoen kontrol eta babes helburuetarako eta lekuaren ohiko funtzionamendua da.

VBI-24 motako isolamendu-zilindroaren zilindroko zirkuitua

   VBI-24 tentsio handiko tentsioko hutsezko zirkuitua Zirkuitu-zirkuitua hiru esaldi A.c.50 Hz barneko potentzia banatzeko ekipoak dira, 24 kv.it-en tentsioarekin.

   Udaberriko mekanismoaren hutsezko zirkuituaren zirkuitu nagusiak polo txertatua da, isolamendua, errendimendu mekaniko eta hausturaren fidagarritasuna asko hobetu dezake eta bizitza mekaniko eta elektriko luzeagoa benetan konturatuko da. Gaitasuna M-E2-C2 kalifikazioa lortzen da.

   Produktua Kyn28-24 (GZS1) bezalako kommutadore mota askotarako erabiltzen da eta instalazio finkoa izan daiteke.

  VBI-24 Tentsio handiko tentsioko zirkuitua AC 50Hz hiru fasea da, 24kv barruko gailuaren tentsioa, industria eta meatze enpresentzako, zentraletarako eta azpiestazioetarako ekipo elektrikoen kontrol eta babes helburuetarako eta lekuaren ohiko funtzionamendua da.







Oinarrizko informazioa.


Parametro teknikoak




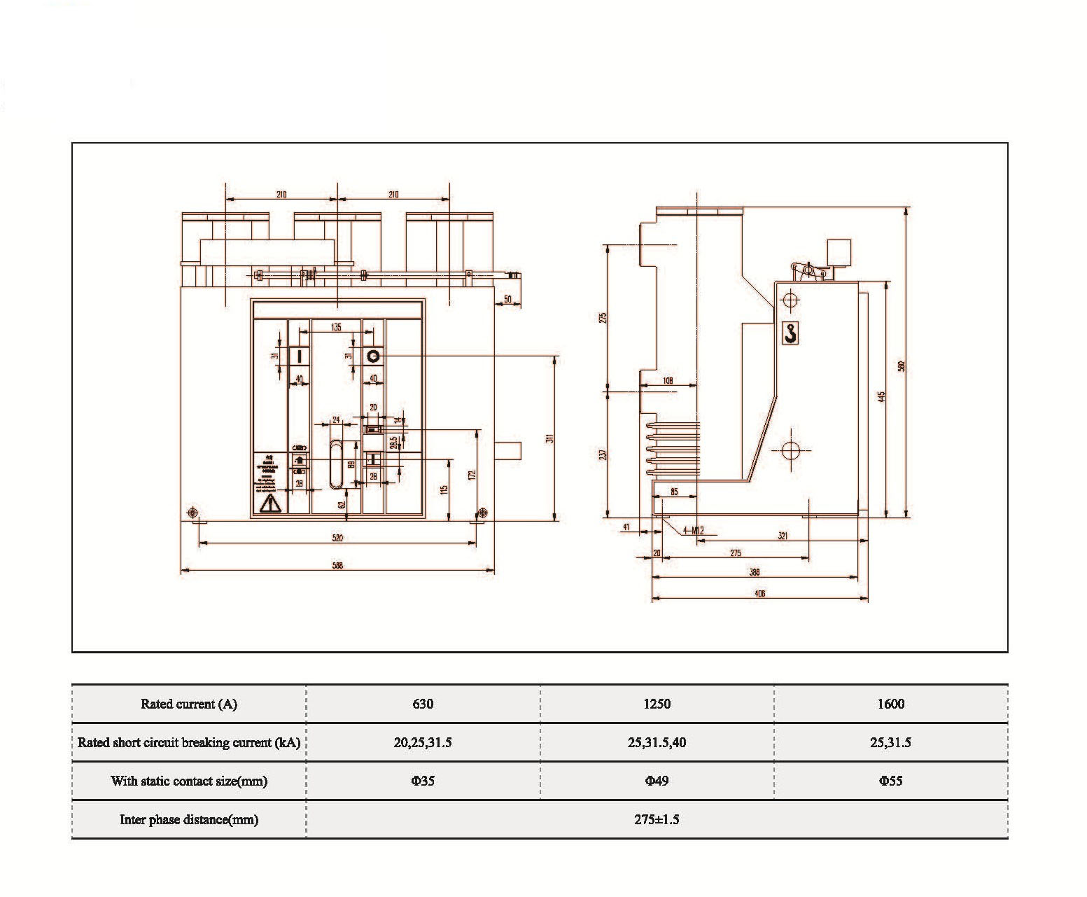
Marrazki teknikoak

Ohigai

G: Zure produktuen prezioak izan ditzaket?

A: Ongi etorri. Mesedez, jar zaitez hemen kontsulta bidaltzeko. 24 orduren buruan erantzungo dizugu.


G: Lagin bat eskuratu al dezaket ontziratu aurretik?

A: Bai, laginaren agindua ongi etorria dugu probatu eta egiaztatzeko. Mixed laginak onargarriak dira.


G: Gure logotipoa / enpresaren izena produktuetan inprimatu al dezakegu?

A: Bai, noski, OEM onartzen dugu, gero markaren baimena eman behar diguzu


G: Produktuen pertsonalizazioa onartzen al duzu?

A: Bai, noski, eman marrazki zehatzak edo parametroak, ebaluatu ondoren aipatuko zaitugu


G: Zein da denbora?

A: Ordainketa agindutako kantitateen araberakoa da, orokorrean ordainketa jaso eta 7-20 eguneko epean.


G: Zein da zure merkataritza baldintzak?

A: EXW, FOB, CIF, FCA eta abar onartzen ditugu.


G: Zein da zure ordainketa metodoa?  

A: T / T, Western Union, PayPal, l / c itzulezina onartzen dugu ikusmena, etab


G: Bukatutako produktuak ikuskatzen dituzu?

A: Bai, produkzioaren eta produktu bukatuen urrats bakoitza QC Sailak ikuskatzea aterako da bidali aurretik. Merkatuaren ikuskapen txostenak emango ditugu bidalketa aurretik


G: Nola konpondu kalitate arazoak salmentetan?

A: Kalitate arazoen argazkiak atera eta bidali gure egiaztapen eta baieztatzeko, 3 eguneko epean konponbide konforme bat egingo dugu.




Lantegi


Ziurtagiri




Hot Tags: VBI-24 motako isolamendu-zilindroaren zilindroaren mv hutsezko zirkuitua, Txina, fabrikatzailea, hornitzailea, fabrika, prezio baxua, kalitatea, azken salmenta, aurreratua
Bidali kontsulta
Harremanetarako informazioa
Behe-tentsioko etengailuei, goi-tentsioko isolatzaileei, tentsio handiko lurrari buruzko etengailuei edo prezioen zerrendari buruzko kontsultak egiteko, utzi zure posta elektronikoa eta 24 orduko epean jarriko gara harremanetan.
X
Cookieak erabiltzen ditugu nabigazio esperientzia hobea eskaintzeko, guneko trafikoa aztertzeko eta edukia pertsonalizatzeko. Gune hau erabiltzean, gure cookieen erabilera onartzen duzu. Pribatutasun politika
Baztertu Onartu