Ningbo Richge Technology Co., Ltd.
Ningbo Richge Technology Co., Ltd.
Produktuak
Zn12-12 Serie Zutabe Integratua Switch Vacuum Circuit Breaker
  • Zn12-12 Serie Zutabe Integratua Switch Vacuum Circuit BreakerZn12-12 Serie Zutabe Integratua Switch Vacuum Circuit Breaker
  • Zn12-12 Serie Zutabe Integratua Switch Vacuum Circuit BreakerZn12-12 Serie Zutabe Integratua Switch Vacuum Circuit Breaker

Zn12-12 Serie Zutabe Integratua Switch Vacuum Circuit Breaker

Model:ZN12-12
Zn12-12 Series Indoor AC hv hutsean Zirkuitua Zirkuitua AC 50Hz-ko hiru faseetako barne ekipamendua da, 12kv-ko tentsio kalifikatua, teknologia alemaniar konpainiatik sartu zuena. Mota guztietako karga eta ohiko eragiketa egokia da, eta industria eta meatzaritza, enpresen, zentralen eta azpiestazio elektrikoen instalazioen babeserako eta kontrolatzeko erabil daiteke. Produktu hau GB1984, JB3855, DL403 eta IEC estandarren lotutako eskakizunaren arabera dago.

Zn12-12 Serie Zutabe Integratua Switch Vacuum Circuit Breaker

  Zn12-12 Barrualdeko tentsio handiko hutsezko zirkuitua 12kv-ko tentsioa. Honako tentsio handiko tentsioa eta, batez ere, kommutadore finkoetan instalatuta, industria eta meatze enpresetan eta instalazio elektrikoak babesteko eta lekua da.

  Zn12 serieko hutsezko zirkuituak Barrualdeko tentsio handiko aldagaien gailua 12kv, 24 kv, eta 40,5 kv, eta hiru faseko AC 50Hz tentsioak dira. German Siemens 3AM teknologia sartuz garatutako etxeko produktua da. Zirkuitu-hausleak egitura sinplea du, ahalmen bizkorra, zerbitzu luzeko bizitza eta operazio funtzio osoa. Eta ez dago leherketarako arriskurik, eta mantentzea erraza da. Potentzia transmititzeko eta banatzeko sistemak kontrolatzeko edo babesteko etengailuetarako egokia da, hala nola zentral, azpiestazio eta industria eta meatze enpresak, batez ere karga garrantzitsuak eta ohiko eragiketa lekuak hausteko. Switch armairuko zirkuituaren instalazioaren forma mota finkoa edo motako zirkuitu gabeko apurtzailea izan daiteke. Produktu hau da, hala nola GB1984, JB3855 eta IEC62271-100 "tentsio altua AC zirkuitua" bezalako arau garrantzitsuak betetzen ditu.


Abantailak:

1. Zirkuituaren etengailua Makineria Ministerioaren balorazioa eta Energia Elektriko Ministerioaren balorazioa onartu zuen 96ko abuztuan, eta horrek esan nahi du kalitatea guztiz bermatuta dagoela.

Zirkuitu-hauslearen mekanismoa etengailuarekin integratuta dago eta udaberriko energia biltegiratzeko motako eragileen mekanismoa AC eta DC energia biltegiratzeak edo eskuz funtziona dezake.

Egitura sinplearekin, zerbitzu luzeko bizimodua, funtzionamendu luzeko funtzioak, ez da leherketarik arriskurik eta mantentze-lanetarako.


Ezaugarriak:

1. Arku itzalgiko ganberaren haustura ahalmena handia da, egungo edukiera baxua da, eta bizitza elektrikoa luzea da.

2. Diseinua aurreko atzera, egitura sinplea eta trinkoa da, funtzionamendu osoa eta mantentze erraza.

3.. Egitura eta instalazioa egitera, banatu egin daitezke: mota finko horizontala, mota finko okerra, erdiko multzoa Mota mugikorra.






Oinarrizko informazioa.



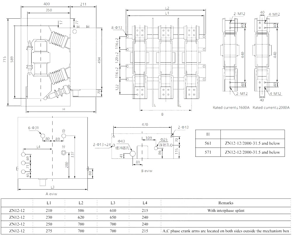
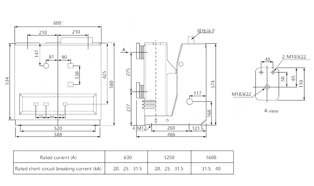
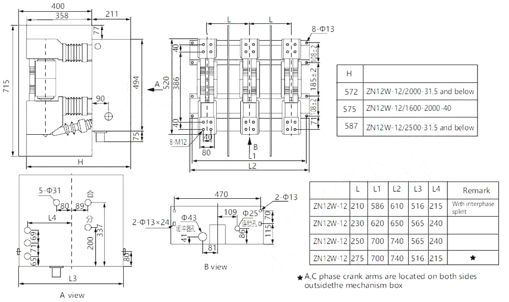
Parametro teknikoak



Marrazki teknikoak


Zn12-12-ren erabilera-baldintzak Zutabe integratuaren etengailua hutsean zirkuitua. Altitudea: ≤1000 m; (Prototipoaren altitudea 4.000 metro baino azpitik iritsi daiteke)

2. Giro tenperatura: altuena + 40 ° C, baxuena -25 ° C;

3. Hezetasun erlatiboa: eguneroko batez bestekoa% 95 baino gehiago ez, hileroko batez bestekoa% 90 baino gehiago;

4. Lurrikararen intentsitatea: 8 baino gutxiago;

5. Instalazio ingurunea: sua, leherketa arriskurik ez, gas korrosiboa eta bibrazio lekua ez.

6. Mesedez, jarri harremanetan hutsezko zirkuituaren fabrikatzailearekin. Erabilera inguruneak aurreko guztia gainditzen badu.




Ohigai

G: Zure produktuen prezioak izan ditzaket?

A: Ongi etorri. Mesedez, jar zaitez hemen kontsulta bidaltzeko. 24 orduren buruan erantzungo dizugu.


G: Lagin bat eskuratu al dezaket ontziratu aurretik?

A: Bai, laginaren agindua ongi etorria dugu probatu eta egiaztatzeko. Mixed laginak onargarriak dira.


G: Gure logotipoa / enpresaren izena produktuetan inprimatu al dezakegu?

A: Bai, noski, OEM onartzen dugu, gero markaren baimena eman behar diguzu


G: Produktuen pertsonalizazioa onartzen al duzu?

A: Bai, noski, eman marrazki zehatzak edo parametroak, ebaluatu ondoren aipatuko zaitugu


G: Zein da denbora?

A: Ordainketa agindutako kantitateen araberakoa da, orokorrean ordainketa jaso eta 7-20 eguneko epean.


G: Zein da zure merkataritza baldintzak?

A: EXW, FOB, CIF, FCA eta abar onartzen ditugu.


G: Zein da zure ordainketa metodoa?  

A: T / T, Western Union, PayPal, l / c itzulezina onartzen dugu ikusmena, etab


G: Bukatutako produktuak ikuskatzen dituzu?

A: Bai, produkzioaren eta produktu bukatuen urrats bakoitza QC Sailak ikuskatzea aterako da bidali aurretik. Merkatuaren ikuskapen txostenak emango ditugu bidalketa aurretik


G: Nola konpondu kalitate arazoak salmentetan?

A: Kalitate arazoen argazkiak atera eta bidali gure egiaztapen eta baieztatzeko, 3 eguneko epean konponbide konforme bat egingo dugu.




Lantegi


Ziurtagiri




Hot Tags: Zn12-12 serieko zutabe integratua etengailua hutsezko zirkuitua, Txina, fabrikatzailea, hornitzailea, fabrika, prezio baxua, kalitatea, azken salmenta, aurreratua
Bidali kontsulta
Harremanetarako informazioa
Behe-tentsioko etengailuei, goi-tentsioko isolatzaileei, tentsio handiko lurrari buruzko etengailuei edo prezioen zerrendari buruzko kontsultak egiteko, utzi zure posta elektronikoa eta 24 orduko epean jarriko gara harremanetan.
X
We use cookies to offer you a better browsing experience, analyze site traffic and personalize content. By using this site, you agree to our use of cookies. Privacy Policy
Reject Accept